
東莞上銀導軌MGW9C,上銀加寬型直線導軌MGW9C
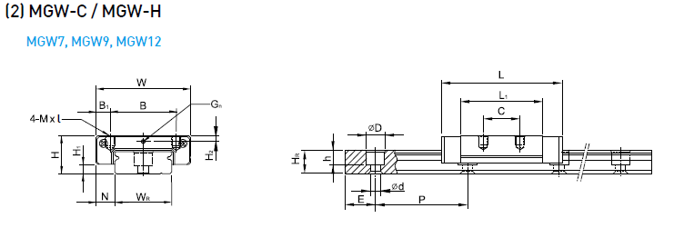
MGW9C滑塊為標準型滑塊,滑塊的大小為39.3*30,上銀滑塊MGW9C上面有4個M3的螺紋孔,孔距為21*12,滑軌的安裝螺絲也是M3,安裝孔距為30.滑塊和導軌的組合高度為12
上銀滑塊MGW9C詳細參數如下:

MGW9C微型導軌系為一種滾動導引,借由鋼珠在滑塊與導軌之間作無限滾動循環,負載平臺能沿著導軌輕易地以高精度作線性運動。與傳統的滑動導引相比較,滾動導引的摩擦系數可降低至原來的1/50,由于啟動的摩擦力大大減少,相對的較少無效運動發生,故能輕易達到μm級進給及定位。再加上滑塊與導軌間的束制單元設計,使得直線導軌可同時承受上下左右等各方向的負荷,上述陳列特點并非傳統滑動導引所能比擬,因此機臺若能派和滾珠螺桿,使用直線導軌作導引,必能大幅提高設備精度與機械效能。
東莞市錦榮自動化專業提供東莞上銀導軌MGW9C,上銀加寬型直線導軌MGW9C,我們歡迎您的來電
咨詢熱線:18038294950 0769-22810279
版權所有 ©2013 東莞市錦榮自動化科技有限公司 m.shenbaoza.cn
地址:東莞市南城區白馬社區塘巖新村五巷57號一樓 電話:0769-22810279
聯系人 譚容華 手機 18038294952 QQ 2829602768