
上銀直線導軌MGW7H,臺灣上銀導軌MGW7H
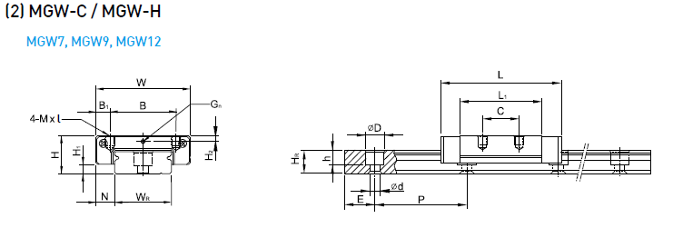
MGW7H滑塊為加長型滑塊,滑塊的大小為41*25,上銀滑塊MGW7H上面有4個M3的螺紋孔,孔距為19*19,滑軌的安裝螺絲也是M3,安裝孔距為30.滑塊和導軌的組合高度為9
上銀滑塊MGW7H詳細參數如下:

MGN系列不銹鋼直線導軌(精密級現貨)
MGN7-R1000-H-M,MGN9-R1000-H-M,MGN12-R1000-H-M,
MGN15-R1000-H-M
MGN系列不銹鋼滑塊(精密級現貨)
MGN7-C-H-M,MGN9-C-H-M,MGN12-C-H-M,MGN15-C-H-M
MGN系列不銹鋼加長滑塊(精密級現貨)
MGN7-H-H-M,MGN9-H-H-M,MGN12-H-H-M,MGN15-H-H-M
MGW系列寬幅型不銹鋼直線導軌(精密級現貨)
MGW7-R1000-H-M,MGW9-R1000-H-M,MGW12-R1000-H-M,
MGW15-R1000-H-M
MGW系列寬幅型不銹鋼滑塊(精密級現貨)
MGW7-C-H-M,MGW9-C-H-M,MGW12C-H-M,MGW15C-H-M
想了解更多上銀直線導軌----請致電我們,東莞市錦榮自動化科技有限公司
上銀直線導軌MGW7H,臺灣加寬型直線導軌MGW7H,電子設備專業專用導軌
訂購熱線:18038294950 0769-22810279
版權所有 ©2013 東莞市錦榮自動化科技有限公司 m.shenbaoza.cn
地址:東莞市南城區白馬社區塘巖新村五巷57號一樓 電話:0769-22810279
聯系人 譚容華 手機 18038294952 QQ 2829602768