
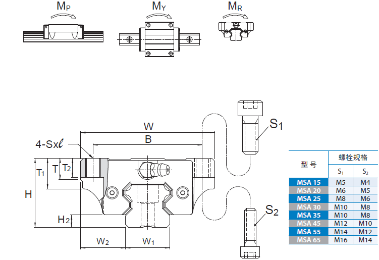
PMI-銀泰直線導軌MSA25LE滑塊是一款法蘭加長型滑塊,也叫帶耳朵的滑塊,滑塊的尺寸為100.6*70,滑塊上有4個M8的螺紋孔,其孔距為57*45,MSA25LE滑軌的安裝孔距為60,MSA15LE滑塊與滑軌的組合高度為36。所有尺寸完全與臺灣上銀直線導軌HGW25HC相同。兩者之間可相互替換,在防塵方面,銀泰直線導軌比上銀直線導軌做得更佳出色。
MSA25LE詳細參數如下圖所示:



PMI-銀泰直線導軌MSA系列應用:
機械加工中心
射出機
工具機
沖床
精密加工機
自動化裝置
重型切削機床
運輸設備
大理石切割機
量測儀器
磨床
東莞市錦榮自動化科技有限公司專業提供臺灣銀泰直線導軌MSA25LE,歡迎來電咨詢
聯系電話: 18038294950 0769-22810279 劉先生
版權所有 ©2013 東莞市錦榮自動化科技有限公司 m.shenbaoza.cn
地址:東莞市南城區白馬社區塘巖新村五巷57號一樓 電話:0769-22810279
聯系人 譚容華 手機 18038294952 QQ 2829602768